新聞中心
News Center
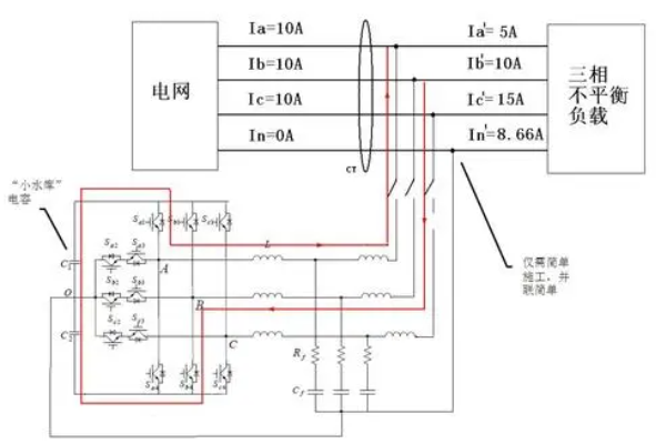
三相不平衡自動調節工作原理
2022-01-04
1.三相不平衡自動調整裝置的基本原理。
當BCBPH開啟時,控制器會根據外部電壓互感器(CT)實時監控系統的電流量,并將工作電壓.電流量.相位差.諧波電流信息發送給SPC控制模塊進行解析,通過測量是否處于不平衡狀態,另外,還可以測量到各相在平衡狀態時所需要轉換的電流,將數據信號發送給內部IGBT,并使其處于不平衡狀態。
非平衡性有功電流量由電流量大的相向電流量小的相遷移,實現三相平衡。
三相不平衡自動調整設備產品第1張三相不平衡自動調整裝置產品簡介電子電氣知識。

2.無功補償基礎:
當BCBPH開啟時,控制器PQC100可根據外部電壓互感器(CT),實時檢測負載電流,并根據內部DSP測量法對負載電流率進行剖析,然后根據設定值控制無浪涌電壓投切電源開關,投割開關掉合其中任意一相或數相電力電容器,產生無功補償電流滿足要求。
最終實現了動態無功補償目標。
三相不平衡自動調整裝置的主要性能參數:
三相補償運行容量:額定電壓145A-216A。

無功補償范疇:-1到1的可調式。
無功補償體積:100Kvar150Kvar。
基本無功補償率>99%
反應速度小于200毫秒。
維修功能:過電壓保護.欠壓保護.過流保護.逆變電源橋反向維修.過補償維修.防雷雙向維修。
分配裝置模塊:單通道電磁能量分配,具有C級防雷功能。